起重机起升、运行机构中主动轴和从动轴联接,各类电机与负载联接驱动 The connection between the driving shaft and the driven shaft in the lifting and operating mechanism of a crane Various types of motors and loads are connected and driven
性能特点
characteristic体积小,可补偿一定的安装误差,承载能力强,传递转矩能力广
Small size, capable of compensating for certain installation errors, strong load-bearing capacity, and wide torque transmission capability
产品用途
purpose起重机起升、运行机构中主动轴和从动轴联接,各类电机与负载联接驱动 The connection between the driving shaft and the driven shaft in the lifting and operating mechanism of a crane Various types of motors and loads are connected and driven
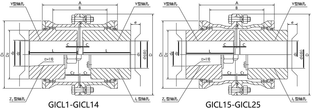
装配展示
Assembly display
成功案例
Success stories400-771-6789
抖音动态
微信小程序
扫一扫 关注我们